5V/2.4A充電器應用方案
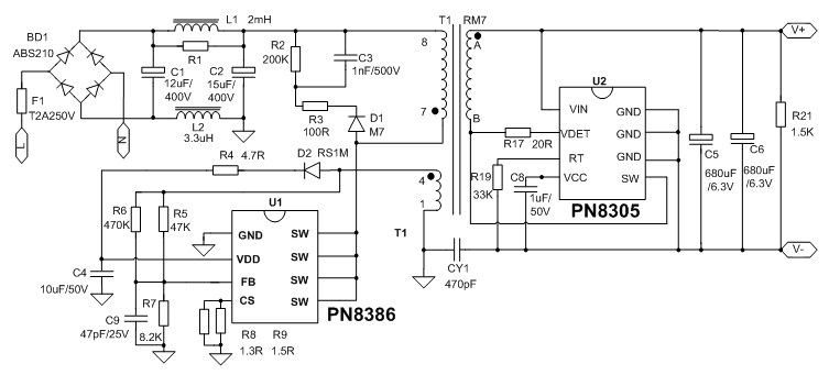
電源原理圖(tu)
PCB及Demo實物圖



| 概述
電路具有過載保(bao)護(hu),過流保(bao)護(hu),開環保(bao)護(hu),以(yi)及(ji)VDD過壓保護等功能,以提高整個系統的可靠性.待機小于50mW,動態(tai)性能好,可滿足六級能效。
PN8386產品手冊>> PN8305產品手冊>> |
特征
輸(shu)入電(dian)壓:90~265V全電壓
輸出功率:15W
輸出電壓:5V
輸出電流:3A±3%效 率:85.64% |
電源原理圖(tu)
PCB及Demo實物圖
測試數據



| 序號 | 元件標號 | 元件名稱 | 元件規格 | 封裝尺寸 | 數量 | 加工類型 | 元/件 |
|---|---|---|---|---|---|---|---|
| 1 | BD1 | 整流橋 | ABS210 | SMD SOPA-4 | 1 | ||
| 2 | C1 | 電解電容 | 12uF/400V,Low ESR | E/C8.0*18 | 1 | ||
| 3 | C2 | 電解電容 | 15uF/400V,Low ESR | E/C10.0*18 | 1 | ||
| 4 | C3 | 貼片電容 | 1nF/500V | SMD1206 | 1 | ||
| 5 | C4 | 電解電容 | 10uF/50V | E/C5.0*8 | 1 | ||
| 6 | C5、C6 | 固態電容 | 680uF/6.3V,Low ESR | E/C6.0 | 2 | ||
| 7 | C7 | 貼片電容 | 1nF/50V | SMD0805 | 1 | ||
| 8 | C8 | 貼片電容 | 100nF/50V | SMD0805 | 1 | ||
| 9 | C9 | 貼片電容 | 47pF/25V | SMD0805 | 1 | ||
| 10 | CY1 | Y1電容 | 470pF,Y1電容 | DIP | 1 | ||
| 11 | D1 | 二極管 | SM(1N4007) | SOD-123 | 1 | ||
| 12 | D2 | 二極管 | F1M(FR107) | SOD-123 | 1 | ||
| 13 | F1 | 慢斷保險絲 | T2A250V | DIP | 1 | ||
| 14 | L1 | 工字電感 | 2mH | 7.0*14 | 1 | ||
| 15 | L2 | 色環電感 | 3.3uH | 0510 | 1 | ||
| 16 | R1 | 貼片電阻 | 4.7K,5% | SMD0805 | 1 | ||
| 17 | R2 | 貼片電阻 | 200K,5% | SMD1206 | 1 | ||
| 18 | R3 | 貼片電阻 | 100R,5% | SMD1206 | 1 | ||
| 19 | R4 | 貼片電阻 | 4.7R,5% | SMD0805 | 1 | ||
| 20 | R5 | 貼片電阻 | 47K,1% | SMD0805 | 1 | ||
| 21 | R6 | 貼片電阻 | 470K,1% | SMD0805 | 1 | ||
| 22 | R7 | 貼片電阻 | 8.2K,1% | SMD0805 | 1 | ||
| 23 | R8 | 貼片電阻 | 1.3R,1% | SMD1206 | 1 | ||
| 24 | R9 | 貼片電阻 | 1.5R,1% | SMD1206 | 1 | ||
| 25 | R16 | 貼片電阻 | 22R,5% | SMD0805 | 1 | ||
| 26 | R17 | 貼片電阻 | 20R,5% | SMD0603 | 1 | ||
| 27 | R19 | 貼片電阻 | 27K,1% | SMD0603 | 1 | ||
| 28 | R20 | 貼片電阻 | 22R,5% | SMD0805 | 1 | ||
| 29 | R22 | 貼片電阻 | 22R,5% | SMD0805 | 1 | ||
| 30 | R21 | 貼片電阻 | 1.5K,5% | SMD0805 | 1 | ||
| 31 | T1 | 變壓器 | 1.05mH | RM7 4+4 | 1 | ||
| 32 | U1 | IC | PN8386 | DIP-7 | 1 | ||
| 33 | U2 | IC | PN8305 | ESOP-8 | 1 |
成本核算:
清單成本統計
| 元件成本 | 件 | 元 | ||
| 貼片加工成本 | 件 | 元 | ||
| 插件加工成本 | 件 | 元 | ||
| 總成本 | 元 |
1、成本核算可以幫您更便捷的計算出Demo成本。
2、您只需選折加工類型,并填寫器件的單價,點擊確認提交,系統將自動為您核算成本。
3、您也可以根據自己的實際需要修改單價價格來進行計算。
2、您只需選折加工類型,并填寫器件的單價,點擊確認提交,系統將自動為您核算成本。
3、您也可以根據自己的實際需要修改單價價格來進行計算。
