5V/0.2A智能家電應用方案
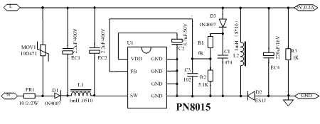
電源原理圖
PCB及Demo實物圖



| 概述(shu) | 特征
輸入電壓:90~265V全(quan)電壓
輸出(chu)功(gong)率(lv):1W
輸出(chu)電壓:5V
輸出電流:0.2A±3%效 率:>65% |
電源原理圖
PCB及Demo實物圖

測試數據




| 序號 | 元件標號 | 元件名稱 | 元件規格 | 封裝尺寸 | 數量 | 加工類型 | 元/件 |
|---|---|---|---|---|---|---|---|
| 1 | MOV1 | 壓敏電阻 | 10D471 | P=7.5mm | 1 | ||
| 2 | EC1、EC2 | 電解電容 | 400V4.7uF | E/C10.0 | 2 | ||
| 3 | EC3 | 電解電容 | 220uF/16V | E/C10.0 | 1 | ||
| 4 | C2 | 貼片電容 | 4.7uF/50V | 0805 | 1 | ||
| 5 | C3、C4 | 貼片電容 | 102/50V | 0805 | 2 | ||
| 6 | D1、D3 | 二極管 | M7 | SMD | 2 | ||
| 7 | D2 | 超快恢復二極管 | ES1J | SMD | 1 | ||
| 8 | L1 | 色環電感 | 1mH | 0510 | 1 | ||
| 9 | FR1 | 線繞電阻 | 22R/2W | 插件 | 1 | ||
| 10 | R1 | 貼片電阻 | 2.7K, 1% | 0805 | 1 | ||
| 11 | R2 | 貼片電阻 | 2.4K ,1% | 0805 | 1 | ||
| 12 | R3 | 貼片電阻 | 1.5K ,5% | 0805 | 1 | ||
| 13 | U1 | IC | PN8015 | SOP7 | 1 | ||
| 14 | L2 | 電感 | 1mH ,8*10mm | 8*10 | 1 |
成本核算:
清單成本統計
| 元件成本 | 件 | 元 | ||
| 貼片加工成本 | 件 | 元 | ||
| 插件加工成本 | 件 | 元 | ||
| 總成本 | 元 |
1、成本核算可以幫您更便捷的計算出Demo成本。
2、您只需選折加工類型,并填寫器件的單價,點擊確認提交,系統將自動為您核算成本。
3、您也可以根據自己的實際需要修改單價價格來進行計算。
2、您只需選折加工類型,并填寫器件的單價,點擊確認提交,系統將自動為您核算成本。
3、您也可以根據自己的實際需要修改單價價格來進行計算。
