12V/1A充電器應用方案
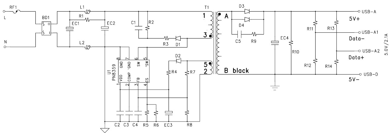
電源原理圖
PCB及Demo實物圖
.jpg)
輸出電壓調整率

效率曲線
| 概述
電路具有(you)過載保護,過流保護,開環保護,以及(ji)VDD過壓保護等功能,以提高整個系統的可靠性.待機小于75mW,動態性能(neng)好,可滿足六級能(neng)效。
PN8359產品手冊>> |
特征
輸入電壓(ya):90~265V全(quan)電壓
輸出功率:10.5W
輸出電壓(ya):5V
輸出電流:2.1A±3%效 率:79% |
電源原理圖
PCB及Demo實物圖
.jpg)
測試數據
.jpg)
輸出電壓調整率

效率曲線
| 序號 | 元件標號 | 元件名稱 | 元件規格 | 封裝尺寸 | 數量 | 加工類型 | 元/件 |
|---|---|---|---|---|---|---|---|
| 1 | BD1 | 整流橋 | MB6S | SMD SOIC-4 | 1 | ||
| 2 | C1 | 陶瓷電容 | 500V/1.0nF | SMD 1206 | 1 | ||
| 3 | C2 | 陶瓷電容 | 50V/10.0nF | SMD 0805 | 1 | ||
| 4 | C3 | 陶瓷電容 | 50V/100.0nF | SMD 0805 | 1 | ||
| 5 | C4 | 陶瓷電容 | 50V/10.0pF | SMD 0805 | 1 | ||
| 6 | CY1 | Y安規電容 | 400V/1.0nF | DIP 腳距10.0mm | 1 | ||
| 7 | EC1 | 電解電容 | 400V/6.8uF | Φ 8*16 | 1 | ||
| 8 | EC2 | 電解電容 | 400V/10.0uF | Φ 10*16 | 1 | ||
| 9 | EC3 | 電解電容 | 50V/10uF | Φ 5*11 | 1 | ||
| 10 | EC4 | 電解電容 | 10V/1500uF | Φ 10*16 | 1 | ||
| 11 | D1 | 二極管 | M7 | SMD DO-214AC | 1 | ||
| 12 | D2 | 二極管 | RS1M | SMD DO-214AC | 1 | ||
| 13 | D3、D4 | 二極管 | SB540 | DIP DO-201 | 2 | ||
| 14 | L1 | 電感 | 1.0mH | DIP 0510 | 1 | ||
| 15 | L2 | 電感 | 3.3uH | SMD 0805 | 1 | ||
| 16 | RF1 | 保險絲 | T2.0A/250V | DIP 腳距5.0mm | 1 | ||
| 17 | R1 | 電阻 | 10KΩ | SMD 0805 | 1 | ||
| 18 | R2 | 電阻 | 270KΩ | SMD 1206 | 1 | ||
| 19 | R3 | 電阻 | 150Ω | SMD 1206 | 1 | ||
| 20 | R4 | 電阻 | 24Ω | SMD 0805 | 1 | ||
| 21 | R5、R6 | 電阻 | 1.5Ω | SMD 1206 | 2 | ||
| 22 | R7 | 電阻 | 39KΩ | SMD 0805 | 1 | ||
| 23 | R8 | 電阻 | 4.87KΩ | SMD 0805 | 1 | ||
| 24 | R10 | 電阻 | 1.5KΩ | SMD 1206 | 1 | ||
| 25 | T1 | 變壓器 | EPC17 | 立式 5+0 | 1 | ||
| 26 | U1 | IC | PN8359 | DIP-8 | 1 | ||
| 27 | PCB | 雙面板 | 33.5*38.5mm | 1 |
成本核算:
清單成本統計
| 元件成本 | 件 | 元 | ||
| 貼片加工成本 | 件 | 元 | ||
| 插件加工成本 | 件 | 元 | ||
| 總成本 | 元 |
1、成本核算可以幫您更便捷的計算出Demo成本。
2、您只需選折加工類型,并填寫器件的單價,點擊確認提交,系統將自動為您核算成本。
3、您也可以根據自己的實際需要修改單價價格來進行計算。
2、您只需選折加工類型,并填寫器件的單價,點擊確認提交,系統將自動為您核算成本。
3、您也可以根據自己的實際需要修改單價價格來進行計算。
