隔離3W射燈雙繞組驅動方案
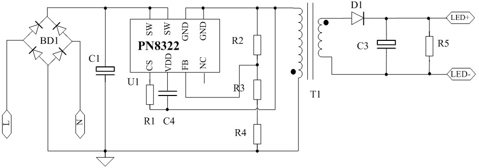
電源原理圖
.jpg)
PCB及Demo實物圖
測試數據
.jpg)
輸出電流

效率
| 概述(shu)
此(ci)系統供(gong)了(le)一種基于(yu)PN8322 10V/300mA的單路輸出開關電源(yuan)。該電源(yuan)能夠(gou)提供300mA電流驅動,在整燈內外部環境溫度為
PN8322產品手冊 |
特征
輸(shu)入電壓:180~264V全電壓
輸(shu)出功率:3W
輸出(chu)電壓:10V
輸出電流:300mA±3%效 率:78% |
電源原理圖
.jpg)
PCB及Demo實物圖

測試數據
.jpg)
輸出電流

效率
| 序號 | 元件標號 | 元件名稱 | 元件規格 | 封裝尺寸 | 數量 | 加工類型 | 元/件 |
|---|---|---|---|---|---|---|---|
| 1 | BD1 | 整流橋 | MB6S | SMD | 1 | ||
| 2 | C1 | 電解電容 | 400V/4.7UF | 8*10 | 1 | ||
| 3 | C3 | 貼片電容 | 25V/2.2UF | 0805 | 1 | ||
| 4 | C4 | 貼片電容 | 25V/1UF | 0805 | 1 | ||
| 5 | D1 | 肖特基二極管 | SS1100 | SMD | 1 | ||
| 6 | R1 | 貼片電阻 | 2.2R | 0805 | 1 | ||
| 7 | R2 | 貼片電阻 | 24K | 0805 | 1 | ||
| 8 | R3、R4 | 貼片電阻 | 270K | 0805 | 2 | ||
| 9 | R5 | 貼片電阻 | 10K | 0805 | 1 | ||
| 10 | T1 | 變壓器 | EE-10 4+4, 1.8mH | EE-10 4+4, | 1 | ||
| 11 | U1 | IC | PN8322 | SOP-8 | 1 | ||
| 12 | PCB | 雙面板 | 21*14mm | 1 |
成本核算:
清單成本統計
| 元件成本 | 件 | 元 | ||
| 貼片加工成本 | 件 | 元 | ||
| 插件加工成本 | 件 | 元 | ||
| 總成本 | 元 |
1、成本核算可以幫您更便捷的計算出Demo成本。
2、您只需選折加工類型,并填寫器件的單價,點擊確認提交,系統將自動為您核算成本。
3、您也可以根據自己的實際需要修改單價價格來進行計算。
2、您只需選折加工類型,并填寫器件的單價,點擊確認提交,系統將自動為您核算成本。
3、您也可以根據自己的實際需要修改單價價格來進行計算。
