隔離9~12W球泡燈反激驅動方案
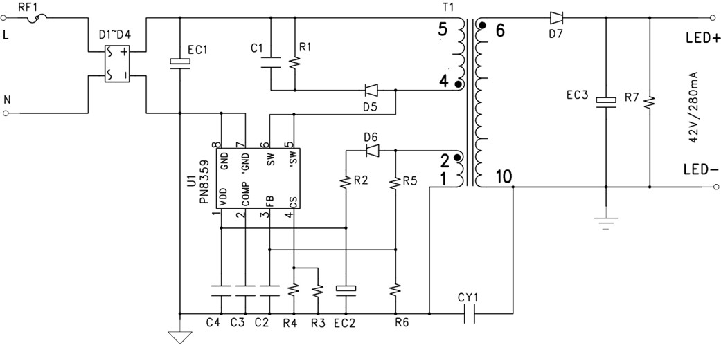
電源原理圖(tu)
.jpg)
PCB及Demo實物圖
測試數據
.jpg)
線性調(diao)整率與(yu)負載調(diao)整率

效率
| 概述(shu)
此系統基于PN8359的42V/280mA輸出的LED驅動電源。芯片集成度高,BOM器(qi)件個數少,具有LED燈開路(lu)、短(duan)(duan)路(lu)、過溫(wen)保護以及(ji)電流采樣電阻短(duan)(duan)路(lu)保護等功能(neng)。
PN8359產品手冊>> |
特征
輸(shu)入電壓:90~264V全(quan)電壓
輸出功率:12W
輸出電(dian)壓(ya):42V
輸出電流:280mA±3%效(xiao) 率:85% |
電源原理圖(tu)
.jpg)
PCB及Demo實物圖

測試數據
.jpg)
線性調(diao)整率與(yu)負載調(diao)整率

效率
| 序號 | 元件標號 | 元件名稱 | 元件規格 | 封裝尺寸 | 數量 | 加工類型 | 元/件 |
|---|---|---|---|---|---|---|---|
| 1 | EC1 | 電解電容 | 400V/10uF | Φ 10*16 | 1 | ||
| 2 | EC2 | 電解電容 | 50V/10uF | Φ 5*11 | 1 | ||
| 3 | EC3 | 電解電容 | 50V/47uF | Φ 8*12 | 1 | ||
| 4 | C1 | 瓷片電容 | 1KV/1.0nF | DIP 腳距5.0mm | 1 | ||
| 5 | C2 | 貼片電容 | 50V/10pF | SMD 0805 | 1 | ||
| 6 | C3 | 貼片電容 | 50V/100nF | SMD 0805 | 2 | ||
| 7 | D1~D5 | 二極管 | M7 | SMD SMA | 5 | ||
| 8 | D6 | 二極管 | RS1M | SMD SMA | 1 | ||
| 9 | D7 | 二極管 | SF26 | DIP DO-15 | 1 | ||
| 10 | FR1 | 保險電阻 | 2.2Ω/0.5W | DIP 1/2W | 1 | ||
| 11 | T1 | 變壓器 | EE16 | 臥式4+4 | 1 | ||
| 12 | R1 | 電阻 | 220KΩ | SMD 1206 | 1 | ||
| 13 | R2 | 電阻 | 10Ω | SMD 0805 | 1 | ||
| 14 | R3、R4 | 電阻 | 2.0Ω | SMD 1206 | 2 | ||
| 15 | R5、R7 | 電阻 | 39KΩ | SMD 0805 | 2 | ||
| 16 | R6 | 電阻 | 3.6KΩ | SMD 0805 | 1 | ||
| 17 | U1 | IC | PN8359 | DIP-8 | 1 | ||
| 18 | PCB | 雙面板 | 33.2*38.5mm | 1 |
成本核算:
清單成本統計
| 元件成本 | 件 | 元 | ||
| 貼片加工成本 | 件 | 元 | ||
| 插件加工成本 | 件 | 元 | ||
| 總成本 | 元 |
1、成本核算可以幫您更便捷的計算出Demo成本。
2、您只需選折加工類型,并填寫器件的單價,點擊確認提交,系統將自動為您核算成本。
3、您也可以根據自己的實際需要修改單價價格來進行計算。
2、您只需選折加工類型,并填寫器件的單價,點擊確認提交,系統將自動為您核算成本。
3、您也可以根據自己的實際需要修改單價價格來進行計算。
