隔離5~12W球泡燈雙繞組驅動方案
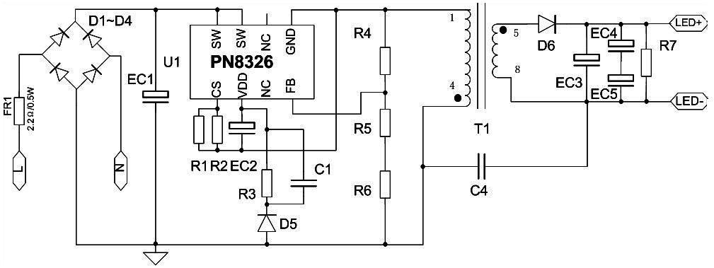
電源原理圖
.jpg)
PCB及Demo實物圖
測試數據
.jpg)
線性調整率與負載調整率

效率
| 概述
此系統提供了(le)一(yi)種基于(yu)PN8326的42V/290mA單(dan)路輸出開關電源。芯片集成(cheng)度高(gao),BOM器件個數少,具有LED燈開路、短路、過溫保護等功能。
PN8326產品手冊>> |
特征
輸入電壓:90~264V全電(dian)壓
輸出(chu)功率:12W
輸出電壓:42V
輸出電流:290mA±3%效 率:82% |
電源原理圖
.jpg)
PCB及Demo實物圖

測試數據
.jpg)
線性調整率與負載調整率

效率
| 序號 | 元件標號 | 元件名稱 | 元件規格 | 封裝尺寸 | 數量 | 加工類型 | 元/件 |
|---|---|---|---|---|---|---|---|
| 1 | EC1 | 電解電容 | 400V/10uF | Φ 10*16 | 1 | ||
| 2 | EC2 | 電解電容 | 50V/2.2uF | Φ 5*11 | 1 | ||
| 3 | EC3 | 電解電容 | 50V/47uF | Φ 8*12 | 1 | ||
| 4 | C1 | 瓷片電容 | 1KV/1.0nF | DIP 腳距5.0mm | 1 | ||
| 5 | D1~D4 | 二極管 | 1N4007 | DIP DO-41 | 4 | ||
| 6 | D5 | 二極管 | FR107 | DIP DO-41 | 1 | ||
| 7 | D6 | 二極管 | SF26 | DIP DO-41 | 1 | ||
| 8 | FR1 | 保險電阻 | 2.2Ω/0.5W | DIP 1/2W | 1 | ||
| 9 | T1 | 變壓器 | EE19 | 臥式4+4 | 1 | ||
| 10 | R1 | 電阻 | 1.2Ω | DIP 1/4W | 1 | ||
| 11 | R2 | 電阻 | 3.0Ω | DIP 1/4W | 1 | ||
| 12 | R3、R5 | 電阻 | 150KΩ | DIP 1/4W | 2 | ||
| 13 | R4 | 電阻 | 13KΩ | DIP 1/4W | 1 | ||
| 14 | R6 | 電阻 | 200KΩ | DIP 1/4W | 1 | ||
| 15 | R7 | 電阻 | 75KΩ | DIP 1/4W | 1 | ||
| 16 | U1 | IC | PN8326 | DIP-7 | 1 | ||
| 17 | PCB | 單面板 | 67*27.5mm | 1 |
成本核算:
清單成本統計
| 元件成本 | 件 | 元 | ||
| 貼片加工成本 | 件 | 元 | ||
| 插件加工成本 | 件 | 元 | ||
| 總成本 | 元 |
1、成本核算可以幫您更便捷的計算出Demo成本。
2、您只需選折加工類型,并填寫器件的單價,點擊確認提交,系統將自動為您核算成本。
3、您也可以根據自己的實際需要修改單價價格來進行計算。
2、您只需選折加工類型,并填寫器件的單價,點擊確認提交,系統將自動為您核算成本。
3、您也可以根據自己的實際需要修改單價價格來進行計算。
