非隔離5~8W球泡燈單電感驅動過認證方案
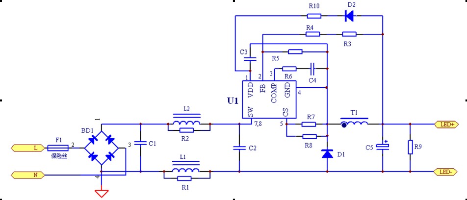
電(dian)源原(yuan)理(li)圖
.jpg)
PCB及Demo實物圖
測試數據
.jpg)
輸出(chu)電流(liu)
.jpg)
PF值

效率
| 概述
系統工(gong)作在準諧振模式以實現高效率和低EMI的應用。芯片集成(cheng)度高,BOM器件個數少,具(ju)有(you)LED燈開路、短(duan)路、過溫保(bao)護等(deng)功能。
PN8337A產品手冊>> |
特征
輸入(ru)電壓:90~264V全電壓
輸出功率:7.5W
輸(shu)出電壓:50V
輸出電流:150mA±3%效 率(lv):88% |
電(dian)源原(yuan)理(li)圖
.jpg)
PCB及Demo實物圖

測試數據
.jpg)
輸出(chu)電流(liu)
.jpg)
PF值

效率
| 序號 | 元件標號 | 元件名稱 | 元件規格 | 封裝尺寸 | 數量 | 加工類型 | 元/件 |
|---|---|---|---|---|---|---|---|
| 1 | BD1 | 整流橋 | MB6S | SMD | 1 | ||
| 2 | C1 | CBB電容 | 224/400V | P=7.5mm | 1 | ||
| 3 | C2 | CBB電容 | 104/400V | P=10mm | 1 | ||
| 4 | C3 | 貼片電容 | 4.7uF/25V | 0805 | 1 | ||
| 5 | C4 | 貼片電容 | 1uF/25V | SMD0805 | 1 | ||
| 6 | C5 | 電解電容 | 100uF/63V,Low ESR | E/C10*16 | 1 | ||
| 7 | D1、D2 | 二極管 | ER1J | SMD | 2 | ||
| 8 | F1 | 保險電阻 | 線繞,10R,1W | 1W | 1 | ||
| 9 | L1 | 色環電感 | 2.2uH | 0510 | 1 | ||
| 10 | L2 | 工字電感 | 線徑0.1mm,3.3mH | 6*8 mm | 1 | ||
| 11 | R2 | 貼片電阻 | 4.7K, 5% | 0805 | 1 | ||
| 12 | R3 | 貼片電阻 | 220K, 1% | 0805 | 1 | ||
| 13 | R4 | 貼片電阻 | 200K, 1% | 0805 | 1 | ||
| 14 | R5 | 貼片電阻 | 11K, 1% | 0805 | 1 | ||
| 15 | R6 | 貼片電阻 | 470R, 5% | 0805 | 1 | ||
| 16 | R7 | 貼片電阻 | 3.3R, 1% | 0805 | 1 | ||
| 17 | R8 | 貼片電阻 | 1.3R, 1% | 0805 | 1 | ||
| 18 | R9 | 貼片電阻 | 68K, 5% | 0805 | 1 | ||
| 19 | R10 | 貼片電阻 | 10K, 5% | 0805 | 1 | ||
| 20 | T1 | 變壓器 | 0.95mH | EE-10立式 4+4 | 1 | ||
| 21 | U1 | IC | PN8337A | SOP8 | 1 | ||
| 22 | PCB | 單面板 | 36*32mm | 1 |
成本核算:
清單成本統計
| 元件成本 | 件 | 元 | ||
| 貼片加工成本 | 件 | 元 | ||
| 插件加工成本 | 件 | 元 | ||
| 總成本 | 元 |
1、成本核算可以幫您更便捷的計算出Demo成本。
2、您只需選折加工類型,并填寫器件的單價,點擊確認提交,系統將自動為您核算成本。
3、您也可以根據自己的實際需要修改單價價格來進行計算。
2、您只需選折加工類型,并填寫器件的單價,點擊確認提交,系統將自動為您核算成本。
3、您也可以根據自己的實際需要修改單價價格來進行計算。
